Моноблочные центробежные насосы SM предназначены для перекачки воды, а также любых жидкостей, сходных с ней по химическому составу, плотности и консистенции. Кроме того, насосы могут перекачивать жидкости большой плотности чем вода, с наличием взвешенных частиц (например: послеспиртовая барда, бражка).
Традиционные сферы эксплуатации таких устройств, как SM – отопление и водоснабжение (как горячее, так и холодное). Функция, с которой моноблочные насосы справляются идеально – это поддержание на нужном уровне давления (например, межэтажного).
Производительность
Моноблочные центробежные насосы SM предназначены для использования в системах отопления, холодного и горячего водоснабжения, кондиционирования, а также для других промышленных применений.Приминение
Спецификация материалов
| Корпус насоса | Нержавеющая сталь AISI 304, AISI 316 |
| Вал насоса | |
| Рабочее колесо | |
| Торцевое уплотнение | Графит/Керамика/NBR (стандартное исполнение) Графит/Керамика/Витон (химическое исполнение) |
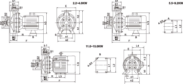
Конструкция насоса SM 
| 1 Корпус насоса | 5 Рабочее колесо | 9 Фланец | 13 Электродвигатель |
| 2 Болт | 6 Торцевое уплотнение | 10 Гайка | 14 Подставка |
| 3 Гайка рабочего колеса | 7 Уплотняющее кольцо | 11 Болт | |
| 4 Пружинная шайба | 8 Крышка насоса (днище) | 12 Шпонка |
Таблица характеристик
| Модель (GB5662) |
Модель (DIN24255) |
Мощность | Q | л/мин | 50 | 100 | 150 | 200 | 250 | 300 | 333 | 400 | 450 | 500 | 550 | 600 | 650 | 700 | 800 | 1000 | 1200 |
| кВт | м3/час | 3.0 | 6.0 | 9.0 | 12 | 15 | 18 | 20 | 24 | 27 | 30 | 33 | 36 | 39 | 42 | 48 | 60 | 72 | |||
| 50-32-160/2.2 | 50-32-160/2.2 | 2.2 |
Напор (м) |
26 | 25.5 | 25 | 24 | 23.5 | 21.5 | 20 | 18 | ||||||||||
| 50-32-160/3.0 | 50-32-160/3.0 | 3.0 | 35 | 34 | 33 | 32 | 31 | 30 | 29 | 27 | |||||||||||
| 50-32-200/4.0 | 50-32-200/4.0 | 4.0 | 40.5 | 40 | 38.5 | 37.5 | 36 | 34 | 33 | 30 | |||||||||||
| 50-32-200/5.5 | 50-32-200/5.5 | 5.5 | 50 | 49.5 | 49 | 48.5 | 48 | 47.5 | 47 | 44.5 | |||||||||||
| 65-50-125/2.2 | 65-40-125/2.2 | 2.2 | 15.5 | 15 | 14.5 | 14 | 13 | 12 | 11 | 10 | 8 | 6 | |||||||||
| 65-50-125/3.0 | 65-40-125/3.0 | 3.0 | 21.8 | 21.5 | 21.3 | 21.1 | 20.7 | 20.2 | 19.5 | 18.4 | 16 | 14.5 | 12.5 | ||||||||
| 65-50-160/4.0 | 65-40-160/4.0 | 4.0 | 28.5 | 28 | 27.4 | 27.1 | 26.3 | 25.4 | 24.3 | 22.9 | 21.7 | 20.5 | 19 | ||||||||
| 65-50-160/5.5 | 65-40-160/5.5 | 5.5 | 36 | 35 | 34.5 | 33.8 | 33 | 32 | 31.5 | 31 | 30.5 | 29.8 | 29 | ||||||||
| 65-40-200/7.5 | 65-40-200/7.5 | 7.5 | 44.5 | 43.5 | 42.5 | 42 | 41.8 | 41 | 40 | 38.5 | 37 | 35 | 33 | ||||||||
| 65-40-200/9.2 | 65-40-200/9.2 | 9.2 | 53.5 | 52.8 | 52 | 51.5 | 51 | 50.5 | 50 | 49.5 | 49 | 47 | 45.5 | ||||||||
| 80-65-125/4.0 | 65-50-125/4.0 | 4.0 | 21.6 | 21.2 | 20.5 | 20 | 19.2 | 18.2 | 17.5 | 15.5 | 11 | 8 | |||||||||
| 80-65-125/5.5 | 65-50-125/5.5 | 5.5 | 25.6 | 25.4 | 24.9 | 24.5 | 23.8 | 23.3 | 22.6 | 21 | 19 | 14 | |||||||||
| 80-65-160/7.5 | 65-50-160/7.5 | 7.5 | 30 | 29.8 | 29.5 | 28.8 | 28 | 27 | 26.5 | 24.8 | 23 | 19 | |||||||||
| 80-65-160/9.2 | 65-50-160/9.2 | 9.2 | 37 | 36.5 | 36 | 35.3 | 34.5 | 34 | 33.8 | 32 | 30 | 27.5 | |||||||||
| 80-50-200/11 | 65-50-200/11 | 11 | 52 | 51 | 50 | 49.5 | 49 | 48.5 | 48 | 46 | 41 | 33 | |||||||||
| 80-50-200/15 | 65-50-200/15 | 15 | 55 | 54.8 | 54.5 | 54.3 | 54 | 53.5 | 51 | 51 | 46.8 | 40 | |||||||||
